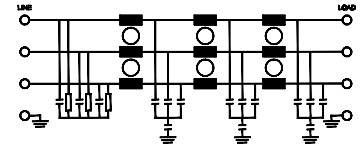
Astrodyne TDI RP359 3-Phase Delta Compact EMI Power Line Filters
Astrodyne TDI RP359 3-Phase Delta Compact EMI Power Line Filters are multi-stage power line filters available with current ratings from 150A to 2500A. These 3-phase high current EMI filters offer a 50/60Hz operating frequency and a maximum 520VAC operating voltage. The RP359 3-phase Delta compact multi-stage high current EMI power line filters are RoHS compliant and suitable for industrial and commercial environments.Specifications
- 50/60Hz operating frequency
- DC to 400Hz usable frequency range
- 3500VDC Hipot rating
- 520VAC maximum operating voltage
- -25°C to +50°C ambient temperature range
- 25/100/21 climatic category
- 0 to 2000nF capacitance range
- 150A to 2500A current range
- 0 to 20mA leakage current range
- 20dB to 80dB typical insertion loss range
Schematic
Publicado: 2017-08-04
| Actualizado: 2022-04-08
