LEM HAS Panel Mount Current Transducers

LEM HAS Panel Mount Current Transducers provide a reliable solution for electronic measurement of DC, AC, and pulsed currents while ensuring galvanic isolation between the primary and secondary circuits. Utilizing open-loop Hall effect technology, the compact LEM HAS sensors support a wide measurement range from 50A to 600A, making these transducers suitable for various industrial applications. The HAS series features a voltage output proportional to the measured current, with excellent linearity and low offset drift over temperature. With an instantaneous voltage output of ±4V and a bipolar power supply requirement of ±15V, HAS sensors deliver accurate and efficient current sensing. Additionally, an extended bandwidth of up to 50kHz enables precise monitoring of fast-changing current signals.

Features

  • Closed loop (compensated) current transducer
  • Hall effect measuring principle
  • Printed circuit panel mounting
  • Easy mounting
  • Low power consumption
  • Space-saving, small size
  • Only one design for a wide current ratings range
  • High immunity to external interference
  • Insulating plastic case made of polycarbonate PBT recognized according to UL 94V-0
  • 5-year warranty
  • RoHS compliant

Applications

  • AC variable speed drives
  • Static converters for DC motor drives
  • Battery supplied applications
  • Uninterruptible Power Supplies (UPS)
  • Switched Mode Power Supplies (SMPS)
  • Power supplies for welding applications

Specifications

  • Electrical
    • 50A to 600A primary nominal current range
    • ±150A to ±900A primary current measuring range
    • ±15V supply voltage (±5%)
    • ±15mA current consumption
    • >1000MΩ insulation resistance at 500VDC
    • ±4V analog output voltage
    • 100Ω output internal resistance
    • >1kΩ load resistance
  • Accuracy - dynamic performance data
    • <±40mV electrical offset voltage range
    • <±20mV hysteresis offset voltage range
    • <±2mV/K temperature coefficient range of UOE
    • <±0.1%/K temperature coefficient range of UOUT
    • <3µs delay time to 90% of the final output value for IPN step
    • DC to 50kHz frequency bandwidth (-3dB)
  • Mechanical
    • ±0.5mm general tolerance
    • Transducer fastening
      • 1x hole ø4.5mm
      • 1x M4 steel screw
    • 0.75Nm (±10%) recommended fastening torque
    • Molex type 2501P04V00A connection of secondary
    • Recommended mating connectors
  • Insulation coordination
    • 3.6kV RMS voltage for AC insulation test, 50Hz, 1 minute
    • >6.6kV impulse withstand voltage, 1.2/50µs
    • 7.08mm minimum creepage distance
    • 6.23mm minimum clearance
    • 275 comparative tracking index (group IIIa)
  • -10°C to +80°C ambient operating temperature range
  • Standards
    • UL 508:2010
    • EMC per IEC 61000-6-2:2016, IEC 61800-3:2017
    • Safety per IEC 61010-1:2010
    • Environmental per IEC 61477-1:2012, IEC 61800-2:2012

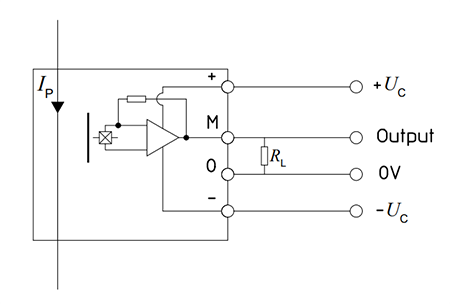
Connection

Schematic - LEM HAS Panel Mount Current Transducers

Dimensions (mm)

Mechanical Drawing - LEM HAS Panel Mount Current Transducers
Publicado: 2025-07-21 | Actualizado: 2025-08-21