Nexperia NCA9547A 8-Channel I²C Bus Multiplexers
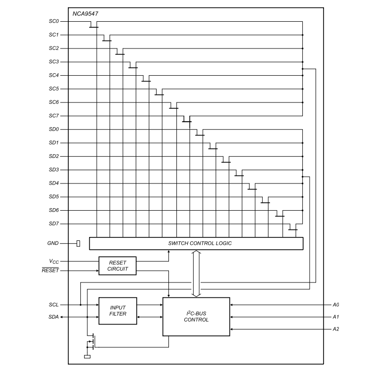
Nexperia NCA9547A 8-Channel I2C Bus Multiplexers are octal bidirectional translating devices managed by the I2C bus. The SCL/SDA upstream pair spans eight downstream pairs, or channels. Only one SCn/SDn channel can be selected at a time, specified by the contents of the programmable control register. The device powers up with channel zero connected, enabling immediate communication between the controller and downstream devices (targets) on that channel.An active LOW reset input permits the NCA9547A to recover from a position where one downstream I2C bus is stuck in a LOW state. Pulling the RESET pin LOW resets the I2C bus state machine, causing all the channels to be deselected, except channel zero, so that the controller can regain control of the bus.
The switch pass gates implement the VCC pin, which can be utilized to limit the maximum high voltage that the Nexperia NCA9547A will pass. This feature permits the use of different bus voltages on each pair, so that 1.8V, 2.5V, or 3.3V parts can communicate with 5V parts without additional protection.
The external pull-up resistors increase the desired voltage level for each channel. The I/O pins are 6V tolerant.
Features
- 1-of-8 bidirectional translating multiplexers
- I2C bus interface logic; compatible with SMBus standards
- Active LOW reset input
- Three address pins allow up to eight devices on the I2C bus
- Channel selection via I2C bus, one channel at a time
- Power up with all channels deselected, except channel zero, which is connected
- Low Ron multiplexers
- Allows voltage level translation between 1.8V, 2.5V, 3.3V, and 5V buses
- No glitch on power-up
- Supports hot insertion
- Low standby current
- Operating power supply voltage range of 1.65V to 5.5V
- 6V-tolerant inputs
- 0Hz to 400kHz clock frequency
- Latch-up testing is done to JEDEC Standard JESD78, which exceeds 100mA
- Two packages offered of TSSOP24 and HWQFN24
- ESD protection:
- HBM: ANSI/ESDA/JEDEC JS-001 class 2 exceeds 2kV
- CDM: ANSI/ESDA/JEDEC JS-002 class C3 exceeds 1kV
- Specified from -40°C to +85°C and from -40°C to +125°C
Applications
- Battery-powered devices
- Sensors
- Keypads
- Push buttons
- LED control for managing LED brightness
Simplified application
Block diagram
