STMicroelectronics AEK-USB-2TYPEC1 Development Board
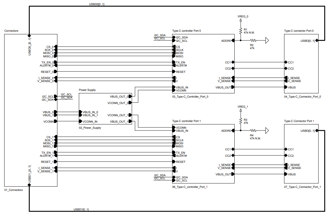
STMicroelectronics AEK-USB-2TYPEC1 Development Board is an automotive grade USB Type-C™ and power delivery dual port interface board with two STUSB1702Y USB Type-C™ port controllers. Each of these STUSB1702Y USB Type-C port controllers includes a fully-featured USB type-C state machine for attaching/detaching and cable orientation detection. The two USB Type-C ports have USB 2.0 data lines that are accessible through onboard connectors J101 and J102. The STMicroelectronics AEK-USB-2TYPEC1 Development Board is designed to connect an SPC58 chorus 4MB flash discovery-board equipped with a 32-bit Power Architecture® microcontroller for automotive ASIL-B applications.Features
- Both ports acting as provider role
- Type-C attach and cable orientation detection
- High-voltage protections on VBUS and CC lines
- VBUS switch gate drivers
- VBUS monitoring and discharge path
- A current sensing circuit for each port on VBUS line
- Power connector to interface with external power boards (not included)
- 85mm x 81mm board dimensions
- RoHS compliant
Block Diagram
Additional Resource
Publicado: 2018-10-29
| Actualizado: 2023-02-22
