STMicroelectronics STSPIN32F025x 250V Three-Phase Controller

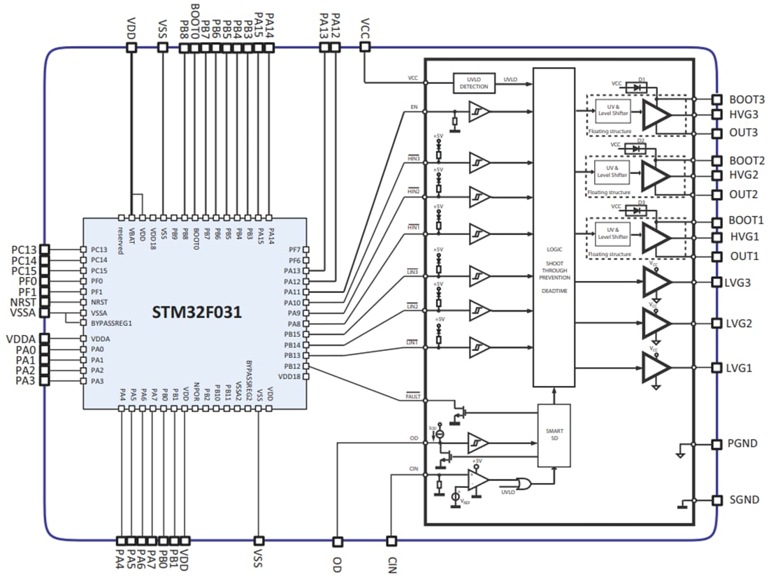
STMicroelectronics STSPIN32F025x 250V Three-Phase Controller is an extremely integrated solution for driving three-phase applications. This integration helps designers to reduce the PCB area and overall bill-of-material. STSPIN32F025x embeds an STM32F031x6x7 MCU, which features an Arm® 32-bit Cortex®-M0 CPU and a 250V triple half-bridge gate driver. The half-bridge gate driver can drive N-channel power MOSFETs or IGBTs. A comparator featuring an advanced smartSD function is integrated, ensuring fast and effective protection against overload and overcurrent. The high-voltage bootstrap diodes are also integrated, as well as anti-cross-conduction, deadtime, and under voltage lock-out (UVLO) protection on both the lower and upper driving sections. These features prevent the power switches from operating in low-efficiency or dangerous conditions. Matched delays between low and high-side sections guarantee no cycle distortion. The integrated MCU allows performing FOC, 6-step sensorless, and other advanced driving algorithms, including the speed control loop.

Features

  • Three-phase gate drivers
    • High voltage rail up to 250V
    • Driver current capability
      • 200mA/350mA source/sink current (STSPIN32F0251)
      • 1.0A/0.85A source/sink current (STSPIN32F0252)
    • ±50V/ns dV/dt transient immunity
    • 9V to 20V gate driving voltage range
  • 32-bit ARM® Cortex®-M0 core
    • Up to 48MHz clock frequency
    • 4Kbyte SRAM with HW parity
    • 32Kbyte Flash memory with option bytes used for write/readout protection
  • 21 general-purpose I/O ports (GPIO)
  • 6 general-purpose timers
  • 12-bit ADC converter (up to 10 channels)
  • I2C, USART, and SPI interfaces
  • Matched propagation delay for all channels
  • Integrated bootstrap diodes
  • Comparator for fast overcurrent protection
  • UVLO, interlocking, and deadtime functions
  • Smart shutdown (smartSD) function
  • Standby mode for low power consumption
  • On-chip debug support via SWD
  • -40°C to +125°C extended temperature range

Applications

  • Battery-operated and 110VAC-supplied power and garden tools
  • Industrial fans and pumps
  • Home appliances
  • Industrial and home automation

Block Diagram

Block Diagram - STMicroelectronics STSPIN32F025x 250V Three-Phase Controller

Videos

Publicado: 2019-10-28 | Actualizado: 2024-02-23