TDK InvenSense IIM-4623x 6-Axis MotionTracking® MEMS Devices

TDK InvenSense IIM-4623x SmartIndustrial™ 6-Axis MotionTracking® MEMS Devices combine multiple 3-axis gyroscopes and 3-axis accelerometers into a single high-performance device. The 6-axis industrial IMUs offer 1.9°/hr (IIM-46234) or 4.1°/hr (IIM-46230) gyroscope bias instabilities, fault tolerance, and micro-second accurate time stamping features. Using ultra-low noise sensors, IIM-46234 and IIM-46230 deliver precise measurements, even in harsh environments. The TDK InvenSense IIM-4623x devices operate within a 3.0V to 3.6V voltage range and a -40°C to +85°C temperature range.

Features

  • TDK proprietary SensorFT™ (Fault Tolerance) feature that delivers built-in redundancy and early warning
  • Low bias instability
  • Low offset and sensitivity variation over temperature
  • Robustness to shock (2000g survivability) and vibration
  • Triaxial, delta angle, and delta velocity output
  • Accurate timestamps, which can be set to UTC timestamp and synchronized to an external PPS pulse
  • -40°C to +85°C operating temperature range
  • Factory calibration over temperature range for bias, sensitivity, misalignment, and G-sensitivity
  • Dynamic correction of the output of Accelerometer and Gyroscope measurements with user-configured bias, sensitivity, and misalignment values stored in the device
  • Gyroscope options
    • 3-Axis Gyroscope with FSR up to ±2000°/sec, 4.1°/hr (typical) bias instability (IIM-46230)
    • 3-Axis Gyroscope with FSR up to ±480°/sec, 1.9°/hr (typical) bias instability (IIM-46234)
  • 3-Axis Accelerometer with FSR up to ±8g
  • Digital-output temperature sensor
  • Programmble digital filters
  • Built-in MEMS oscillator for accurate timestamp
  • PPS/External Sync input for clock corrections
  • UART or SPI host interface
  • Single supply operation from 3.0V to 3.6V
  • RoHS and Green compliant

Applications

  • Agriculture and construction machinery
  • Navigation
  • Platform stabilization
  • Asset tracking
  • Robotics
  • Industrial automation
  • Survey equipment

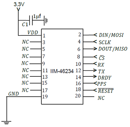
Typical Operating Circuit

Mechanical Drawing - TDK InvenSense IIM-4623x 6-Axis MotionTracking® MEMS Devices
Publicado: 2022-08-22 | Actualizado: 2024-08-22