Texas Instruments LM5140-Q1 Dual Low Iq Synchronous Buck Controller
Texas Instruments LM5140-Q1 Dual Low Iq Synchronous Buck Controller is intended for high voltage wide VIN step-down converter applications. The control method is based on current mode control. Current mode control provides inherent line feed-forward, cycle-by-cycle current limiting, and easier loop compensation. The LM5140-Q1 features adjustable slew rate control to simplify compliance with the CISPR and automotive EMI requirements. The LM5140-Q1 operates at selectable switching frequencies of 2.2MHz or 440kHz with the two controller channels switching 180º out of phase. In light or no-load conditions, the LM5140-Q1 operates in skip cycle mode for improved low power efficiency. The LM5140-Q1 synchronous buck controllers are AEC-Q100 qualified for automotive applications.Features
- AEC-Q100 grade 1 qualified (TA =–40ºC to 125ºC)
- Input operating range from 3.8V to 65V (70V absolute maximum)
- Two interleaved buck controllers with
- VOUT1 fixed 3.3V, 5V, or adjustable from 1.5V to 15V, accuracy ±1%
- VOUT2 fixed 5V, 8V, or adjustable from 1.5V to 15V, accuracy ±1%
- Fixed 2.2MHz or 440kHz switching frequency, accuracy ±7%
- Optional synchronization to an external clock
- SYNC output clock for additional converters
- Shutdown mode current: 9µA typical
- No load standby current: 35µA typical (one channel operating)
- Current limit threshold programmable to 50mV or 75mV, accuracy ±10%
- Independent enable inputs for VOUT1 and VOUT2
- Hiccup mode protection for sustained overload
- Independent power good outputs
- High-side and low-side gate drivers with
- Adjustable slew rate control
- Selectable diode emulation or continuous
- Conduction at light load
- VQFN-40 package with wettable flanks
Applications
- Automotive electronics
- Infotainment systems
- Instrument clusters
- Advanced Driver Assistance (ADAS)
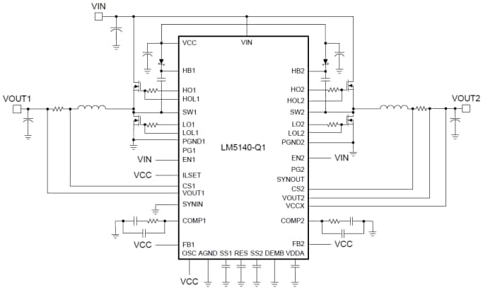
Application Schematic
Publicado: 2016-04-13
| Actualizado: 2025-03-06
