Texas Instruments LP50xx Constant-Current RGB LED Drivers

Texas Instruments LP50xx 18-Ch or 24-Ch Constant-Current RGB LED Drivers provide integrated color mixing and brightness control with pre-configuration simplifying the software coding process. The LP50xx LED Drivers utilize human-machine interaction in smart homes and other applications where RGB LED drivers are needed. The devices improve user experience by employing LED animation effects such as flashing, breathing, and chasing. Using the integrated 12-bit, 29 kHz PWM generators for each channel permits a smooth, vivid color for LEDs and eliminates audible noise.

The global RGB bank control reduces the microcontroller loading, targeting a fade-in, fade-out type breathing effect. The LP50xx implements a PWM phase-shifting function to help reduce the input power budget when LEDs turn on simultaneously. Additionally, the device features an automatic power-saving mode to achieve ultralow quiescent current. This feature permits a device total power consumption of 10µA when channels are all off for 30ms, making the LP50xx ideal for battery-powered end equipment.

Features

  • Up to 400kHz fast-mode I2C speed
  • Operating voltage range:
    • VCC Range of 2.7V to 5.5V
    • EN, SDA, and SCL Pins compatible with 1.8V, 3.3V, and 5V power rails
    • Output maximum voltage of 6V
  • 24 Constant-current sinks with high precision
    • 25.5mA Maximum per channel with VCC in full range
    • 35mA Maximum per channel when VCC ≥ 3.3V
    • Device-to-device error: ±7%; Channel-to-channel error of ±7%
  • Ultralow quiescent current:
    • Shutdown mode of 1µA (maximum) with EN low
    • Power saving mode of 10µA (typical) with EN High and all LEDs off for >30ms
  • Integrated 12-Bit, 29kHz PWM generator for each channel:
    • Independent color-mixing Register per channel
    • Independent brightness-control register per RGB LED module
    • Optional logarithmic- or linear-scale brightness control
    • Integrated 3-phase PWM-shifting scheme
  • 3 Programmable banks (R, G, B) for easy software control of each color
  • 2 External hardware address pins allow connecting up to 4 devices
  • Broadcast slave address allows configuring multiple devices simultaneously
  • Auto-increment allows writing or reading consecutive registers within one transmission

Applications

  • Smart speaker (with voice assistant)
  • Smart home appliances
  • Video doorbell
  • Electronic smart lock
  • Smoke and heat detector
  • STB and DVR
  • Smart router
  • Handheld device

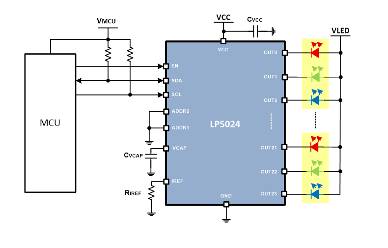
Block Diagram

Block Diagram - Texas Instruments LP50xx  Constant-Current RGB LED Drivers
Publicado: 2018-10-31 | Actualizado: 2024-09-18